Products - Power
Design challenges
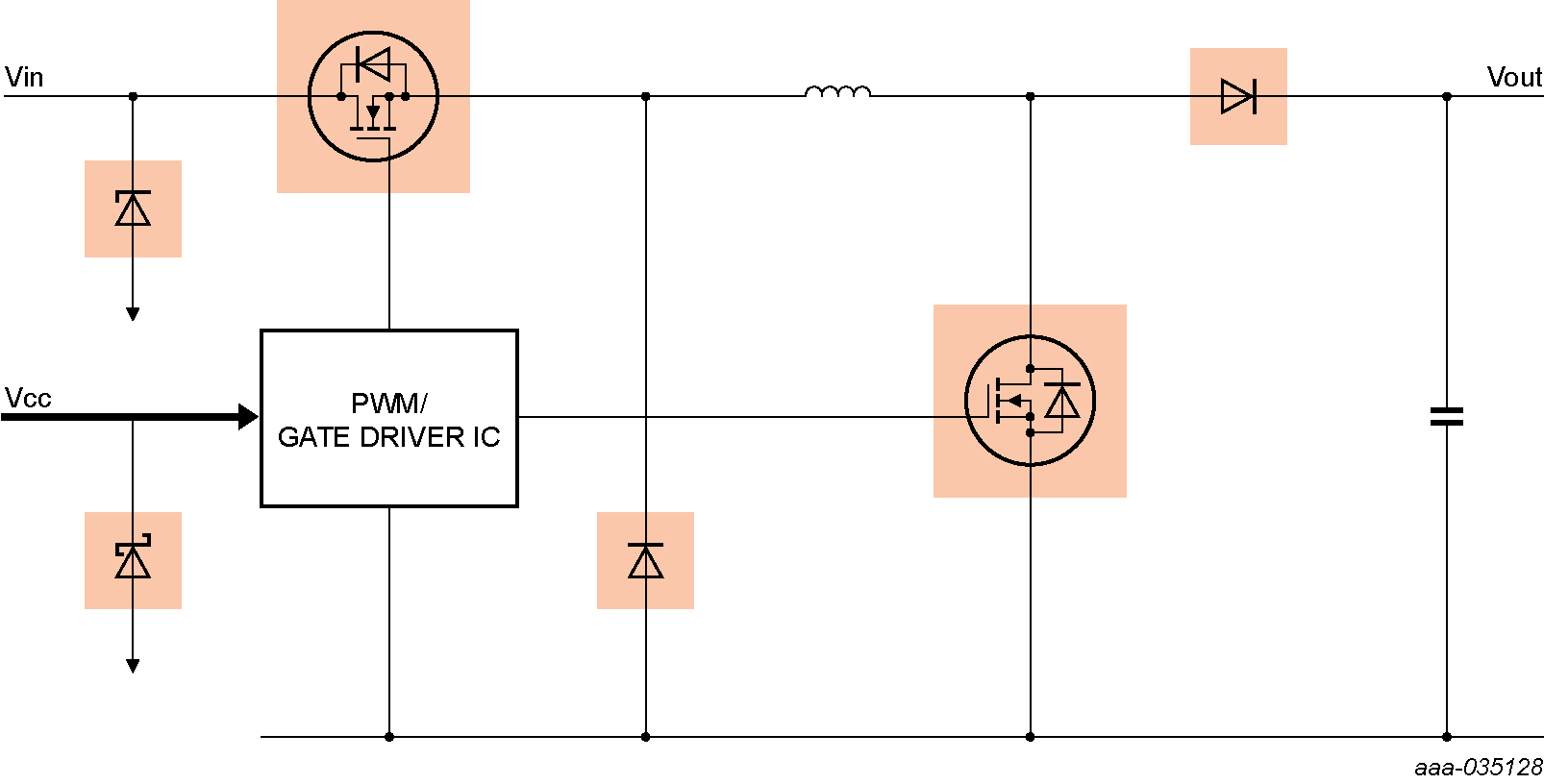
- Economical, two-MOSFET design - low QG(tot) & low FOM for best efficiency
- Step-down of voltage while stepping up current
- D1 and D2 can be exchanged for MOSFETs for higher efficiency
MOSFET and GaN FET Handbook
Drawing on over 20 years’ of experience, the MOSFET and GaN FET Application Handbook: A Power Design Engineer’s Guide brings together a comprehensive set of learning and reference materials relating to the use of MOSFETs and GaN FETs in real world systems.
